晶振中心
進口晶振
- SMI晶振
- KDS晶振
- 精工晶振
- 西鐵城晶振
- 愛普生晶振
- 村田晶振
- 日本NDK晶體
- 京瓷晶振
- 臺灣TXC晶振
- 泰藝晶振
- 亞陶晶振
- 希華晶體
- 臺灣津綻晶體
- 美國CTS石英晶振
- 加高晶體
- 大河晶振
- 鴻星晶振
- 富士石英晶體
- AKER晶振
- Lihom晶振
- NAKA晶振
- NKG晶振
- NJR晶振
- Sunny晶振
石英晶體諧振器
歐美晶振
- Abracon晶振
- ECS晶振
- Golledge晶振
- ILSI晶振
- FOX晶振
- fujicom晶振
- AEK晶振
- CRYSTEK晶振
- interquip晶振
- Geyer晶振
- quartzcom晶振
- qantek晶振
- EUROQUARTZ晶振
- quarztechnik晶振
- Cardinal晶振
- FRE-TECH晶振
- KVG晶振
- wi2wi晶振
- AEL晶振
- Transko晶振
- suntsu晶振
- mmdcomp晶振
- MERCURY晶振
- MTRONPTI晶振
- RALTRON晶振
- Microcrystal晶振
- SITIME晶振
- IDT晶振
- Pletronics晶振
- STATEK晶振
- Rakon晶振
- ConnorWinfield晶振
- JAUCH晶振
- VECTRON晶振
- Greenray晶振
- ECLIPTEK晶振
- ACT晶振
- MTI-milliren晶振
- Rubyquartz晶振
- Oscilent晶振
- SHINSUNG晶振
- ITTI晶振
- PDI晶振
- IQD晶振
- Microchip晶振
- Silicon晶振
- Fortiming晶振
- CORE晶振
- NIPPON晶振
- NICKC晶振
- QVS晶振
- Bomar晶振
- Bliley晶振
- GED晶振
- FILTRONETICS晶振
- STD晶振
- Q-Tech晶振
- Anderson晶振
- Wenzel晶振
- NEL晶振
- EM晶振
- PETERMANN晶振
- FCD-Tech晶振
- HEC晶振
- FMI晶振
- Macrobizes晶振
- AXTAL晶振
- ARGO晶振
- Skyworks晶振
- Renesas瑞薩晶振
- DEI晶振
數碼產品
智能家電
時計產品
車載產品
石英晶體振蕩器
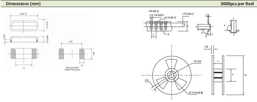
AEL晶振,PSX-315晶振,石英晶體諧振器.貼片晶振本身體積小,超薄型石英晶體諧振器,特別適用于有目前高速發展的高端電子數碼產品,因為晶振本身小型化需求的市場領域,小型,薄型是對應陶瓷諧振器(偏差大)和普通的石英晶體諧振器(偏差小)的中間領域的一種性價比較出色的產品.產品廣泛用于筆記本電腦,無線電話,衛星導航HDD,SSD,USB,Blu-ray等用途,符合無鉛焊接的高溫回流焊曲線特性.
石英晶振的切割設計:用不同角度對晶振的石英晶體進行切割,可獲得不同特性的石英晶片,通常我們把晶振的石英晶片對晶棒坐標軸某種方位(角度)的切割稱為石英晶片的切型.不同切型的石英晶片,因其彈性性質,壓電性質,溫度性質不同,其電特性也各異,石英SMD晶振目前主要使用的有 AT 切、BT 切.其它切型還有 CT、DT、GT、NT 等.


AEL晶振公司在英國,日本,臺灣,南韓等地區使用精心挑選的生產基地網絡.韓國中國和美國使我們能夠為這類組件提供真正的全球采購.這降低了這種高需求進口石英晶振產品類型供應中斷的風險.我們通過實施全面的英國庫存政策進一步提高可用性.


| AEL晶振 | 單位 | PSX-315晶振 | 石英晶振基本條件 |
| 標準頻率 | f_nom | 32.768KHZ | 標準頻率 |
| 儲存溫度 | T_stg | -55°C~+125°C | 裸存 |
| 工作溫度 | T_use | -40℃~+85℃ | 標準溫度 |
| 激勵功率 | DL | 1.0μW Max. | 推薦:100μW ~ 300μW |
| 頻率公差 | f_— l | ±20ppm |
+25°C 對于超出標準的規格說明, 請聯系我們以便獲取相關的信息, http://m.mxsir.cn/ |
| 頻率溫度特征 | f_tem | ±50× 10-6 /-30°C~+85°C | 超出標準的規格請聯系我們. |
| 負載電容 | CL | 12.5pF | 不同負載要求,請聯系我們. |
| 串聯電阻(ESR) | R1 | 如下表所示 | -10°C— +60°C, DL = 100μW |
| 頻率老化 | f_age | ±5 × 10-6 / year Max. | +25°C,第一年 |


熱影響
重復的溫度巨大變化可能會降低受損害的石英無源晶振的產品特性,并導致塑料封裝里的線路擊穿.必須避免這種情況
安裝方向
進口晶體振蕩器的不正確安裝會導致故障以及崩潰,因此安裝時,請檢查安裝方向是否正確.
通電
不建議從中間電位和/或極快速通電,否則會導致有源晶體無法產生振蕩和/或非正常工作.貼片晶振的軟焊溫度條件被設計成可以和普通電子零部件同時作業,但如果是超過規格以上的高溫,則頻率有可能發生較大的變化,因此請避免不必要的高溫度.有關SMD晶振產品的回流焊焊接溫度描述,請參照“表面貼裝型晶體產品的回流焊焊接溫度描述”.
清洗
關于一般清洗液的使用以及超聲波清洗沒有問題,但這僅僅是對單個石英晶體產品進行試驗所得的結果,因此請根據實際使用狀態進行確認.由于音叉型晶體諧振器的頻率范圍和超聲波清洗機的清洗頻率很近,容易受到共振破壞,因此請盡可能避免超聲波清洗.若要進行超聲波清洗,必須事先根據實際使用狀態進行確認.
保管
保管在高溫多濕的場所可能會導致低功耗32.768K晶振端子軟焊性的老化.請在沒有直射陽光,不發生結露的場所保管.
負載電容
振蕩電路中負載電容的不同,可能導致振蕩頻率與設計頻率之間產生偏差.試圖通過強力調整,可能只會導致不正常的振蕩.在使用之前,請指明該振動電路的負載電容(請參閱“負載電容”章節內容).
晶體振蕩器和實時時鐘模塊
所有石英晶體諧振器和實時時鐘模塊都以IC形式提供.

AEL晶振集團消除事故和環境方面的偶發事件,減少晶體諧振器、普通晶體振蕩器(SPAELO)材料廢物的產生和排放,有效的使用能源和各種自然資源,對緊急事件做好充分準備,以便及時做出反應.
對我們的產品進行檢驗,同時告知我們的員工顧客以及公眾,如何安全的使用,如何使用對環境影響較小,幫助我們的雇員合同方商業伙伴服務提供上理解他們的行為如何影響著環境.
AEL晶振遵守所有適用的有關環境、健康和安全的法律和法規以及公司自己的有關環境、工業衛生和安全的方針和承諾.與我們的員工一起開創并保持一個免于事故的工作場所.
AEL晶振重視污染預防,消除偏離程序的行為強調通過員工努力這一最可行的方法持續改進我們經營活動的環境績效.
AEL晶振減少污染物排放,對不可再生的資源進行有效利用.減少廢物的產生,對其排放的責任進行有效管理,有效地使用能源.通過石英晶振,貼片晶振,溫補晶振,石英晶體振蕩器設計工藝程序對員工進行培訓保護環境以及人們的健康和安全.提供安全使用和廢置我們的產品的信息,對環境有重大健康安全和環境的運營現狀進行糾正.


深圳市康華爾電子有限公司SHENZHEN KONUAER ELECTRONICS CO.,LTD
電 話:0755-27838351
手 機:13823300879
Q Q:632862232
E-mail:konuaer@163.com
網 址:http://m.mxsir.cn
地 址:廣東深圳市寶安寶安大道東95號浙商銀行大廈1905









業務經理