晶振中心
進口晶振
- SMI晶振
- KDS晶振
- 精工晶振
- 西鐵城晶振
- 愛普生晶振
- 村田晶振
- 日本NDK晶體
- 京瓷晶振
- 臺灣TXC晶振
- 泰藝晶振
- 亞陶晶振
- 希華晶體
- 臺灣津綻晶體
- 美國CTS石英晶振
- 加高晶體
- 大河晶振
- 鴻星晶振
- 富士石英晶體
- AKER晶振
- Lihom晶振
- NAKA晶振
- NKG晶振
- NJR晶振
- Sunny晶振
石英晶體諧振器
歐美晶振
- Abracon晶振
- ECS晶振
- Golledge晶振
- ILSI晶振
- FOX晶振
- fujicom晶振
- AEK晶振
- CRYSTEK晶振
- interquip晶振
- Geyer晶振
- quartzcom晶振
- qantek晶振
- EUROQUARTZ晶振
- quarztechnik晶振
- Cardinal晶振
- FRE-TECH晶振
- KVG晶振
- wi2wi晶振
- AEL晶振
- Transko晶振
- suntsu晶振
- mmdcomp晶振
- MERCURY晶振
- MTRONPTI晶振
- RALTRON晶振
- Microcrystal晶振
- SITIME晶振
- IDT晶振
- Pletronics晶振
- STATEK晶振
- Rakon晶振
- ConnorWinfield晶振
- JAUCH晶振
- VECTRON晶振
- Greenray晶振
- ECLIPTEK晶振
- ACT晶振
- MTI-milliren晶振
- Rubyquartz晶振
- Oscilent晶振
- SHINSUNG晶振
- ITTI晶振
- PDI晶振
- IQD晶振
- Microchip晶振
- Silicon晶振
- Fortiming晶振
- CORE晶振
- NIPPON晶振
- NICKC晶振
- QVS晶振
- Bomar晶振
- Bliley晶振
- GED晶振
- FILTRONETICS晶振
- STD晶振
- Q-Tech晶振
- Anderson晶振
- Wenzel晶振
- NEL晶振
- EM晶振
- PETERMANN晶振
- FCD-Tech晶振
- HEC晶振
- FMI晶振
- Macrobizes晶振
- AXTAL晶振
- ARGO晶振
- Skyworks晶振
- Renesas瑞薩晶振
- DEI晶振
數碼產品
智能家電
時計產品
車載產品
石英晶體振蕩器

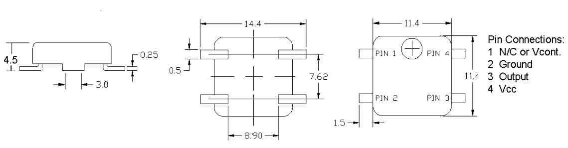
TC31-5AV,20.000MHz,SMD溫度補償晶體振蕩器,PDI有源晶振,GPS晶振,物聯網晶振,美國進口晶振,PDI晶振,型號:TC31-5AV系列,頻率范圍:20.000MHz,尺寸:11.4x11.4mm表面安裝,四腳貼片晶振,SMD溫度補償晶體振蕩器,有源晶振,石英晶體振蕩器,石英晶振,溫補晶振。TC31-5系列提供了一系列緊湊的溫度補償晶體振蕩器,工作在+5.0V供應,可與HCMOS或截止的正弦波輸出。可選的電壓控制功能和小尺寸使這一系列的TCXO是現有和未來應用的理想選擇,其中可靠性、成本和性能是關鍵因素。貼片晶振,具有低抖動,低功耗,低相位噪聲,低電平,低電源電壓等特點。應用于:GPS定位晶振,移動通訊設備,電信晶振,便捷式設備晶振,測試系統晶振,儀器設備晶振等。
TC31-5AV,20.000MHz,SMD溫度補償晶體振蕩器,PDI有源晶振,GPS晶振,物聯網晶振,產品特點:
•表面安裝
•小尺寸
•小尺寸
•可選輸出和調整方法
•工作頻率范圍廣
•工作頻率范圍廣

| PARAMETER | MINIMUM | MAXIMUM | UNITS | |||||
| NOMINAL FREQUENCY (Fo) | 20 | MHz | ||||||
| CALIBRATION TOLERANCE | - 1.0 | +1.0 | ppm | |||||
|
FREQUENCY STABILITY Over Temperature Range (See Note 2) Ageing (per year at +25℃) Over Supply Voltage Variation (Vcc = +5.0V ±5.0%) |
-2.5 - 1.0 -0.3 |
+2.5 +1.0 +0.3 |
ppm | |||||
| OPERATING TEMPERATURE RANGE (See Note 2) | -20 | +70 | ℃ | |||||
| STORAGE TEMPERATURE RANGE | -40 | +85 | ℃ | |||||
| SUPPLY VOLTAGE (Vcc) (See Note 2) | +4.75 | +5.25 | V | |||||
| SUPPLY CURRENT (Dependant upon nominal frequency) | 2.0 | 15.0 | mA | |||||
|
OUTPUT WAVEFORM HCMOS/TTL (Order code TC31-5A) Logic Levels Duty Cycle (@ Vcc/2) Fall and rise times |
0.1Vcc 40 3 |
0.9Vcc 60 10 |
V % ns |
|||||
|
OUTPUT WAVEFORM Clipped sinewave (Order code TC31-5B) Peak to Peak amplitude |
1.0 | V | ||||||
| FREQUENCY ADJUSTMENT (Internal trimmer) | ±3 | ppm | ||||||
| VOLTAGE CONTROL +2.5V ±2.0V (Add suffix V to order code) | ±5 | ppm | ||||||
深圳市康華爾電子有限公司SHENZHEN KONUAER ELECTRONICS CO.,LTD
電 話:0755-27838351
手 機:13823300879
Q Q:632862232
E-mail:konuaer@163.com
網 址:http://m.mxsir.cn
地 址:廣東深圳市寶安寶安大道東95號浙商銀行大廈1905












業務經理