晶振中心
進口晶振
- SMI晶振
- KDS晶振
- 精工晶振
- 西鐵城晶振
- 愛普生晶振
- 村田晶振
- 日本NDK晶體
- 京瓷晶振
- 臺灣TXC晶振
- 泰藝晶振
- 亞陶晶振
- 希華晶體
- 臺灣津綻晶體
- 美國CTS石英晶振
- 加高晶體
- 大河晶振
- 鴻星晶振
- 富士石英晶體
- AKER晶振
- Lihom晶振
- NAKA晶振
- NKG晶振
- NJR晶振
- Sunny晶振
石英晶體諧振器
歐美晶振
- Abracon晶振
- ECS晶振
- Golledge晶振
- ILSI晶振
- FOX晶振
- fujicom晶振
- AEK晶振
- CRYSTEK晶振
- interquip晶振
- Geyer晶振
- quartzcom晶振
- qantek晶振
- EUROQUARTZ晶振
- quarztechnik晶振
- Cardinal晶振
- FRE-TECH晶振
- KVG晶振
- wi2wi晶振
- AEL晶振
- Transko晶振
- suntsu晶振
- mmdcomp晶振
- MERCURY晶振
- MTRONPTI晶振
- RALTRON晶振
- Microcrystal晶振
- SITIME晶振
- IDT晶振
- Pletronics晶振
- STATEK晶振
- Rakon晶振
- ConnorWinfield晶振
- JAUCH晶振
- VECTRON晶振
- Greenray晶振
- ECLIPTEK晶振
- ACT晶振
- MTI-milliren晶振
- Rubyquartz晶振
- Oscilent晶振
- SHINSUNG晶振
- ITTI晶振
- PDI晶振
- IQD晶振
- Microchip晶振
- Silicon晶振
- Fortiming晶振
- CORE晶振
- NIPPON晶振
- NICKC晶振
- QVS晶振
- Bomar晶振
- Bliley晶振
- GED晶振
- FILTRONETICS晶振
- STD晶振
- Q-Tech晶振
- Anderson晶振
- Wenzel晶振
- NEL晶振
- EM晶振
- PETERMANN晶振
- FCD-Tech晶振
- HEC晶振
- FMI晶振
- Macrobizes晶振
- AXTAL晶振
- ARGO晶振
- Skyworks晶振
- Renesas瑞薩晶振
- DEI晶振
數碼產品
智能家電
時計產品
車載產品
石英晶體振蕩器
.jpg)
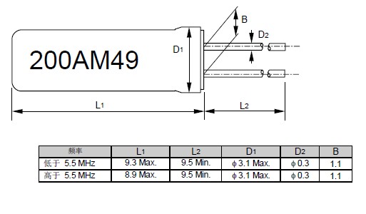
音叉水晶振蕩子,CA-301圓柱晶體,“CA-301 19.6608M-C:PBFREE”愛普生時鐘晶振,頻率范圍4 MHz~64 MHz,厚度φ3.1 mm Max,諧波次數基頻,三次諧波(30 MHz~64 MHz),應用于集成電路的時鐘.石英晶振具有優良的電氣特性,耐環境性能適用于移動通信領域,滿足無鉛焊接的高溫回流溫度曲線要求.

“CA-301 19.6608M-C:PBFREE”愛普生以提供原子鐘的精準振蕩器知名業界.僅此在音叉振子和振蕩器還遠遠達不到愛普生本身的要求.他們要求的是在元器件占領NO1.因此除了KHZ,MHZ的研究發展,另外還發明GHZ技術,使工藝技術達到人無完人,史前無例,實現以基波方式產生2.5GHz為止高頻的表面聲波(SAW)元器件.愛普生晶振在KHZ,MHZ,以及GHZ上都有重大突破,使得愛普生拓優科夢的晶體元器件已以23%的市場占有率位于業界第一.





“CA-301 19.6608M-C:PBFREE”愛普生認為,地球的承載能力是有限的,減少環境負荷,人人有責. 因此,愛普生致力于在2050年前將所有產品和服務生命周期中的二氧化碳排放量減少90%.同時,作為生態系統的有機組成部分,愛普生將繼續與其所在地的社區齊心協力,共同恢復和保護生物多樣性.
為實現“Environmental Vision 2050”而設定的四大目標
將產品完整生命周期中的二氧化碳排放量減少90%.
實現所有產品的資源重復利用和循環利用.
將二氧化碳的直接排放量減少90%,并消除二氧化碳之外的其它溫室氣體的排放.
作為生態系統的有機組成部分,與當地社區共同努力,恢復和保護生物多樣性.

驅動能力
驅動能力說明振蕩晶體單元所需電功率,其計算公式如下:
驅動能力 (P) = i²·Re
其中i表示經過晶體單元的電流,
Re表示晶體單元的有效電阻,而且 Re=R1(1+Co/CL)².


“CA-301 19.6608M-C:PBFREE”隨著生產和科學技術發展的需要,電子技術得到高度發展和廣泛應用(如空間電子技術、生物醫學電子技術、信息處理和遙感技術、微波應用等),它對于社會生產力的發展,也起這變革性的推動作用.電子水準是現代化的一個重要標志,電子工業是實現現代化的重要物質技術基礎.電子工業的發展速度和技術水平,特別是電子計算機的高度發展及其在生產領域中的廣泛應用,直接影響到工業、農業、科學技術和國防建設,關系著社會主義建設的發展速度和國家的安危;也直接影響到億萬人民的物質、文化生活,關系著廣大群眾的切身利益.
愛普生貼片晶振的產品被廣泛地運用在個人計算機、安全系統、通信、無線應用、遙控單元和消費性電子產品等,并已陸續獲得國內外電腦及通信大廠認可及使用.


深圳市康華爾電子有限公司SHENZHEN KONUAER ELECTRONICS CO.,LTD
電 話:0755-27838351
手 機:13823300879
Q Q:632862232
E-mail:konuaer@163.com
網 址:http://m.mxsir.cn
地 址:深圳市寶安區67區留仙一路甲岸科技園3棟5樓









業務經理